Mochuan Drives - Diseño profesional, fabricante Panel de pantalla táctil HMI& Controlador PLC, brinda soluciones industriales e integración de sistemas desde 2009.
Diseño profesional, fabricante Panel de pantalla táctil HMI& Controlador PLC, brinda soluciones industriales e integración de sistemas desde 2009.


El mototambor es un tipo de dispositivo impulsor que combina un motor eléctrico y un reductor en el interior del cuerpo del tambor. La potencia del motor se transfiere al cuerpo del tambor a través del mecanismo reductor, lo que hace que la cinta transportadora gire.


¿Cuáles son las ventajas de los mototambores frente a los motores tradicionales?
1) Instalación: La instalación de un rodillo de punta es muy sencilla y rápida. El tiempo necesario para instalar un mototambor es de 3/4 respecto a una instalación tradicional.
2) La instalación de un motor macho tradicional requiere la instalación de ruedas dentadas, rodillos, placas fijas y otros componentes. El proceso tradicional de instalación y puesta en marcha del motor es muy tedioso.
3) Durabilidad: debido a que el mototambor está completamente sellado, puede mantener una buena eficiencia operativa en un entorno lleno de agua, grava, productos químicos, grasa, etc.
4) TLos motores tradicionales, por otro lado, tienen altos requisitos para el entorno operativo y no pueden funcionar correctamente en entornos desfavorables. Por ejemplo, en el entorno de trabajo de escombros, el motor tradicional es fácil de inhalar escombros, dañando así el motor.
5) Higiene del diseño: el rodillo señalador está hecho de acero inoxidable brillante y tiene un diseño completamente cerrado, lo que reduce el riesgo de contaminación durante el procesamiento de alimentos. La estructura mecánica expuesta y el aceite lubricante del motor tradicional no se pueden utilizar en la industria de procesamiento de alimentos.
6) Alto rendimiento: la eficiencia de transmisión del rodillo punteagudo puede llegar al 97 %.
El motor de accionamiento es aproximadamente solo el 75% de la transmisión de eficiencia mecánica a la correa.
7) Ahorro de espacio y seguridad: el mototambor, la caja de engranajes y el eje de conexión están instalados en el tubo exterior del tambor, ocupando apenas el espacio externo de la cinta transportadora, y no hay partes giratorias expuestas, seguras y confiables.
Los motores, cajas de engranajes, ruedas dentadas, cadenas y placas de montaje tradicionales se montan en el exterior de la correa, lo que ocupa más espacio y hace que la cadena de transmisión sea menos segura para objetos extraños.
8) Sin mantenimiento: el diseño sellado del mototambor garantiza que las piezas internas no se vean afectadas por condiciones externas, lo que garantiza un transporte sin problemas.
Los motores tradicionales requieren un mantenimiento regular de las ruedas dentadas y las cadenas de transmisión; de lo contrario, no funcionarán correctamente.
Cómohacer elija el mototambor adecuado
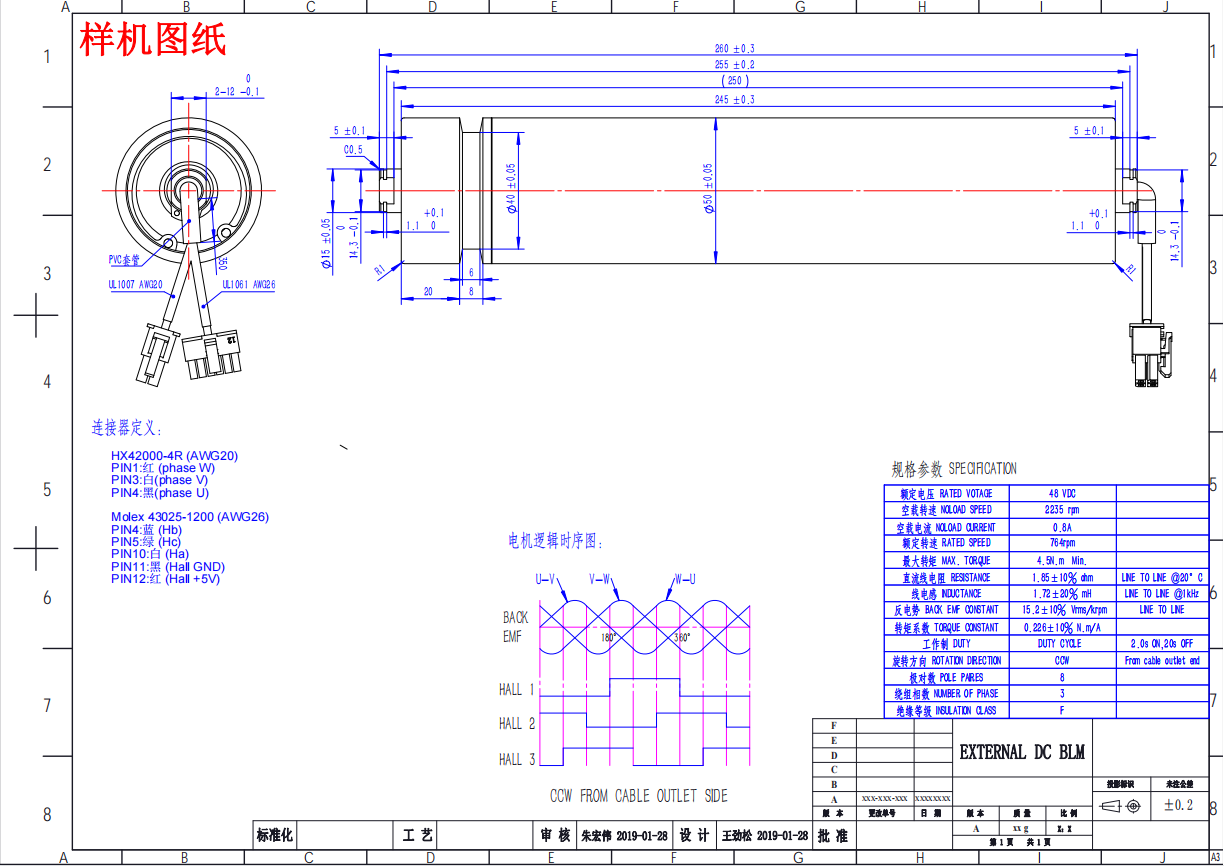
El mototambor se puede dividir en mototambor φ50, mototambor φ60, mototambor φ67, mototambor φ82, mototambor φ113, mototambor φ138, mototambor φ165 y mototambor φ216 según el diámetro del tambor. Claro, si tiene una función especial diferente o la otra quiere personalizarla, también apóyela.

| Escribe | ΦClasificación directa de banda estrecha del mototambor 50 | |
Descripción de parámetros | Unidad | Valor |
| Tensión de alimentación del controlador Ucorriente continua | V | 48 |
| Número de pares de polos | 8 | |
| Velocidad nominal Nn | rpm | 764 |
| Número de devanado de fase | 3 | |
| Torque máximo Tn | Nuevo Méjico | 4 |
| Sin corriente de carga a | Brazos | 0.8 |
| Corriente máxima instantánea | Brazos | 32.00 |
| Coeficiente de potencial de retorno lineal Kn | Vrms/krpm | Apoyo personalizado ±10% |
| Coeficiente de par Kr | N/m/brazos | 0.226±10% |
| Resistencia de línea de CC RI | Ω@20°C | 1.85±10% |
| La línea Inductancia LI | mH@1kHz | 1.72±20% |
| Grado de aislamiento | F | |
| Dispositivo de retroalimentación de posición | hoare | |
| Sistema de trabajo | poco tiempo | |


Copyright © 2026 Wuxi Mochuan Drives Technology Co., Ltd 无锡默川传动技术有限公司- www.mochuan-drives.com Todos los derechos reservados.